客服热线:
020-81170688
首页
我们的服务
行业解决方案
信息公开
新闻资讯
人才培养
关于我们
联系我们
职业卫生服务
安全生产标准化评审服务
环境监测(企业)
公共卫生检测与评价
建筑用地及居住环境检测
农业土壤及农产品检测
食品检测
其它服务
产品质量检验
建设工程质量检测
环境检测
疾病预防控制
养老机构起居场所
公共场所卫生检测
健康环境
公司新闻
行业动态
标准政策
技术文章
公示信息
招标公告
企业简介
企业文化
资质荣誉
服务范围
职业卫生检测报告
现状评价报告
预评价报告
控制效果评价报告
信息公开
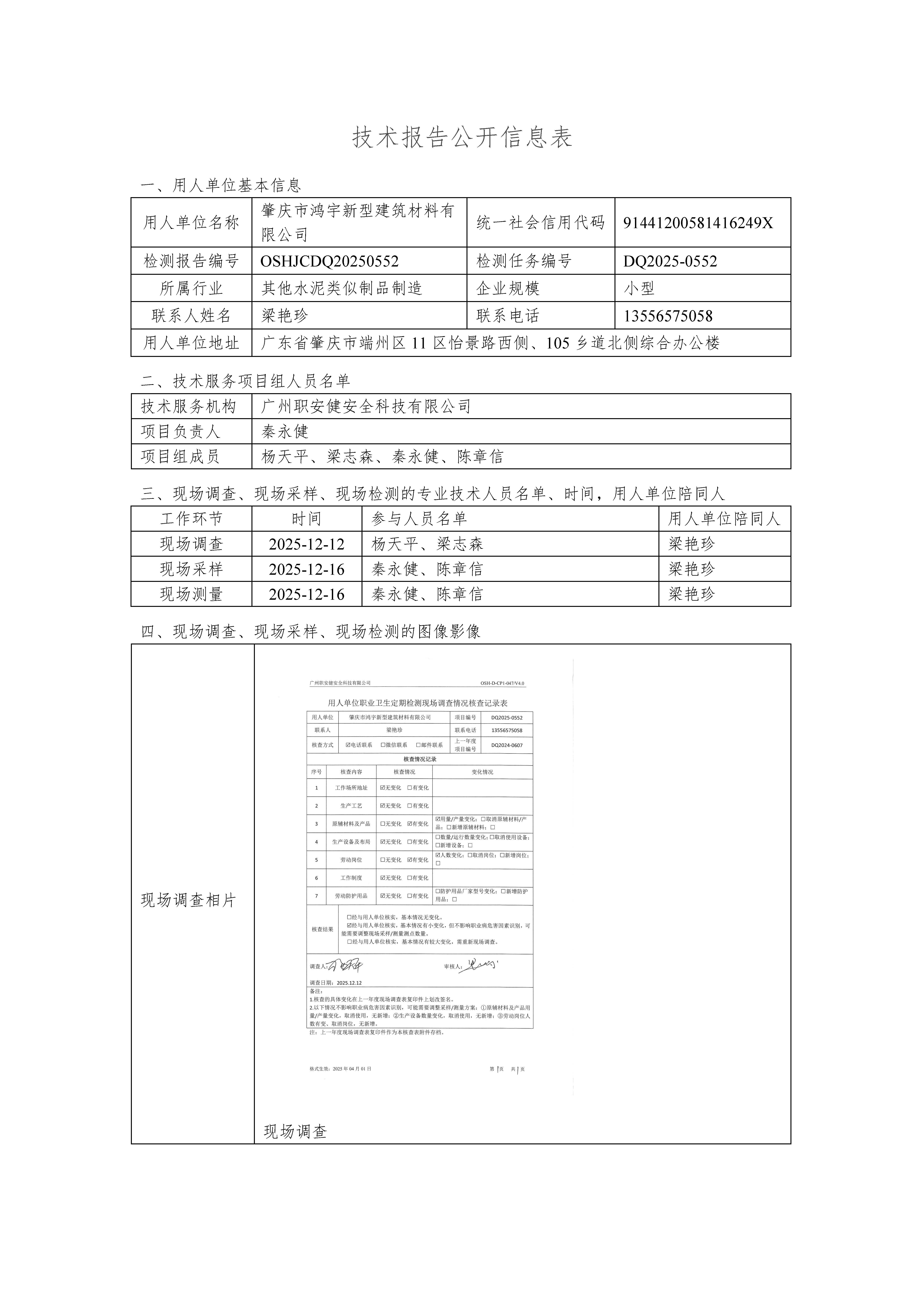
肇庆市鸿宇新型建筑材料有限公司
新闻动态
搜索
上一篇:
广州市凯闻食品发展有限公司
下一篇:
佛山市迎嘉不锈钢有限公司
返回列表
肇庆市鸿宇新型建筑材料有限公司
47次
2026-01-15
客服热线:
020-81170688
关于我们
企业简介
企业文化
资质荣誉
服务范围
我们的服务
职业卫生服务
安全生产标准化评审服务
环境监测(企业)
公共卫生检测与评价
建筑用地及居住环境检测
农业土壤及农产品检测
食品检测
其它服务
行业解决方案
产品质量检验
建设工程质量检测
环境检测
疾病预防控制
养老机构起居场所
公共场所卫生检测
健康环境
新闻资讯
公司新闻
行业动态
标准政策
技术文章
公示信息
招标公告
微信扫一扫
版权所有(C)广州职安健安全科技有限公司 备案号:
粤ICP备2021020369号